SOLAR PLUG SSR
SOLAR PLUG SSR kombinuje 0–10V Dimmer s kvalitním SSR relé (solid state relé) a slouží jako efektivní řešení pro plynulé řízení výkonu elektrického bojleru v rámci systémů s využitím přebytků z fotovoltaiky.
| Kategorie: | Příslušenství |
|---|
Příslušenství pro Solar Station Live
Modul pro řízení výkonu bojleru (Dimmer 0-10V + SSR relé)
Toto příslušenství je určeno pro rozšíření funkcionality měřicí a řídicí stanice Solar Station Live. Umožňuje dynamické řízení výkonu elektrického bojleru na základě přebytků solární energie nebo jiných parametrů.
Hlavní vlastnosti:
- Precizní řízení výkonu bojleru pomocí 0–10V signálu (např. pro SSR relé)
- Založeno na osvědčeném modulu Shelly 0-10V Dimmer
- Obsahuje SSR relé (solid state relay) pro bezhlučné a spolehlivé spínání
- Plná kompatibilita se Solar Station Live – plug & play řešení
- Ideální pro maximální optimalizaci vlastní spotřeby solární energie v přechodných obdobích (jaro, podzim)
SDG Monitoring
Dobrou zprávou je, že toto řešení je kompatibilní také se systémem SDG Monitoring od Josefa Konečného. Přestože jsme částečně konkurenti, sdílíme informace, navštěvujeme se a máme společný cíl – efektivně využívat solární energii. Díky tomu mohou uživatelé obou systémů využít výhody tohoto příslušenství.
Technické informace:
- Řídicí signál: 0–10 V DC (výstup z Dimmer)
- Spínané napětí: 230 V AC (přes SSR relé)
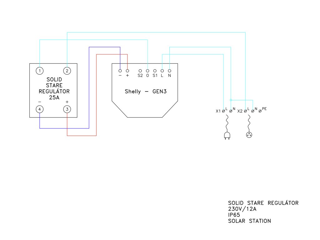
- Výkonové zatížení: dle použitého SSR (12A pro zapojení s měřením spotřeby, 25A při zapojení bez měření)
- Komunikace: proprietární WiFi
- Napájení: 230 V AC
Použití:
- Dynamické ohřevy vody v bojleru dle aktuální dostupnosti solární energie
- Vhodné pro rezidenční i menší komerční instalace
- Možnost využití i pro jiné aplikace vyžadující analogové řízení výkonu
Upozornění: Zařízení vyžaduje odborné elektrické zapojení dle schématu, které je uvedeno ve fotkách produktu.
Poznámka: Pro správnou funkci tohoto příslušenství je nutné mít ve stanici Solar Station Live firmware verze alespoň 238.
Hodnocení produktu
Buďte první, kdo napíše příspěvek k této položce.
Diskuze
Buďte první, kdo napíše příspěvek k této položce.

